Ikuti
24
0
9
WSG Elétrica
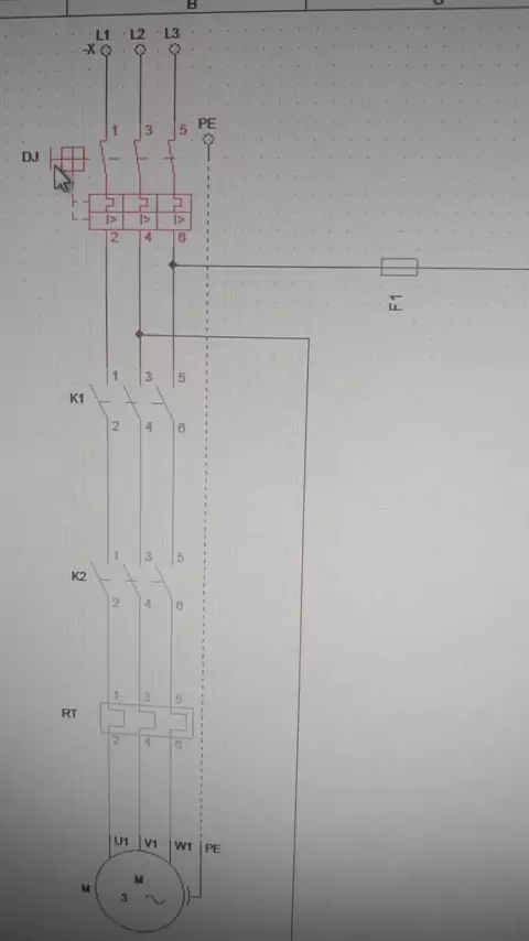
Comando Bimanual de uma Prensa Elétrica
Lebih banyak
Komentar
Batal
Kirim