关注
483
3
194
Trick Drawing
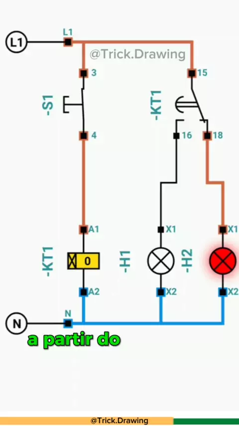
como funciona um temporizador On Delay? #comandoseletricos #engenhariaeletrica #industrial #industria #trickdrawing
更多
评论
取消
发送