Follow
1
0
1
KCMNTV
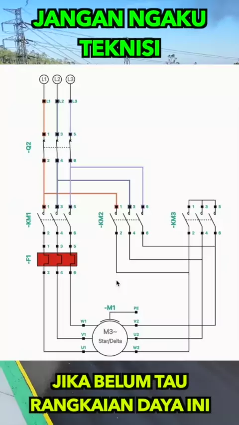
Cara kerja star delta #stardelta #tekniklistrik #rangkaiancontrol
More
Comment
Cancel
Send